热门关键词:压力水柜滑油海水滤器空气管头通海蝶阀海水通海阀通海阀组
—— 产品中心 ——
—— 推荐产品 ——
船用干式排气系…
压力水柜单元
稳压供水装置
热交换器
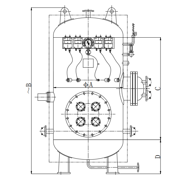
船用热水柜
用途及特点
船用热水柜加热后的热水供船员生活之用,具有低压启动、高压停止供水的功能,可实现自动化控制,满足自动供水功能。配有压力表、液位计以及安全阀等保护装置。具有超高温、高温自动停止加热,具有超高温、过载、失水保护功能及高压泄放装置,工作安全可靠。
根据船上的加热资源,可做电加热热水柜、蒸汽加热热水柜,热油加热热水柜,也可以做成双热源组合热水柜。
服务热线